Beschrijving
Jabsco koelwaterpompen brons
Geschikt om als koelwaterpomp, dekwaspomp, bilgepomp of algemene dienstpomp te dienen. Het pomphuis is van brons. Door de rubberen impeller is de pomp zelfaanzuigend. De rvs assen lopen in permanent smerende lagers waardoor de Jabsco impellerpomp bijzonder lang mee gaat. De pomp is geschikt voor zowel de plezier- als de beroepsvaart. Pomp mag niet droogdraaien.
Foto’s staan op volgorde van de onderstaande omschreven pompen.
| De opgegeven capaciteit is afhankelijk van het toerental en is gegeven bij een opvoerhoogte van 3 meter. | ||
| Maximaal toelaatbare toerental | : | 2300 rpm |
| Model Jabsco |
Vergelijkbaar met Johnson |
Capaciteit (l/min) | Aansluitingen | Art.code |
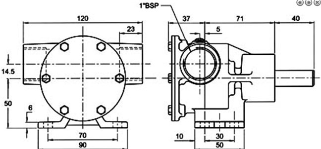
| Jabsco koelwaterpomp brons model 51520 | F4B-8 | 27 | 3/8“ | 3374 |
| Jabsco koelwaterpomp brons model 52040 | F5B-8 | 53 | 3/4“ | 3371 |
| Jabsco koelwaterpomp brons model 50320 | F7B-8 | 107 | 1″ | 3372 |
| Jabsco koelwaterpomp brons model 29470 | F4B-9 | 27 | 3/8“ | 3379 |
| Jabsco koelwaterpomp brons model 21770 | peugot idenor | 36 | 25,4mm | 21770-xxxx |


















